服务热线
18094673492
相关文章 / ARTICLE
2026-04-09
2026-02-05
2025-12-04
2025-12-04
2025-12-04

产品介绍/ PRODUCT PRESENTATION

防火/排烟阀、送风口、排烟口特点:根据不同场合,执行机构可分为手动、电动半自动、全自动及远距离控制等。
用途:高层民用建筑空气调节中防火、防烟、排烟。
规格:100×100~1250×2000mm













防火调节阀
阀由阀体、叶片、熔断器和操作机构组成,用于防火场合,平时处于常开状态。技术指标:
1、手动开启
2、70℃金属温感器关闭阀
3、手动按细,拉环关闭阀
4、输出阀门关闭信号,
5、手动复位
6、五档风量调节
防烟防火调节阀
阀由阀体、叶片、熔断器和操作机构组成,用干防火又需防烟的场合,平时处干常开状态,
技术指标:
1、手动开启
2、通入DV24V电源,阀门关闭
3、70℃金属温感器关闭阀
4、手动按钮,拉环关闭阀
5、输出阀门关闭信号
6、手动复位,五档风量调节
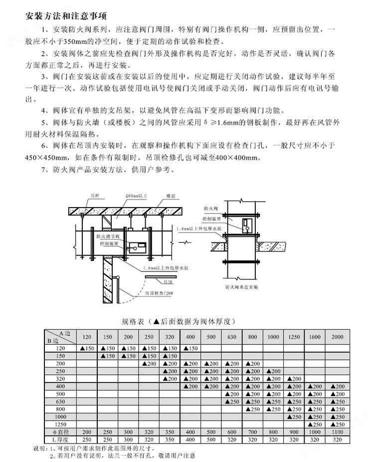
1、安装防火阀系列,应注意阀门周围,特别有阀门操作机构一侧,应预留出位置,一般应不小于350mm的净空间,便于定期的动作试验和检查。
2、安装阀体之前应先检查阀门外形及操作机构是否完好,动作是否灵活,确认阀门各方面都正常之后,再进行安装。
3、阀门在安装之前或在安装以后的使用中,应定期进行关闭动作试验,建议每半年至一年进行一次。动作试验包括使用电讯号使阀门关闭或手动关闭,阀门动作后应有电讯输出。
4、阀体宜有单独的支吊架,以避免风管在高温下变形而影响阀门功能。
5、阀体与防火墙(或楼板)之间的风管应采用δ≥1.6mm的钢板制作,再在风管外用耐火材料保温隔热。
6、阀体在吊顶内安装时,在观察和操作机构下面应设有检查门孔,一般尺寸应不小于450×450mm,如在条件有限制时,吊顶检修孔也可减至400×400mm。
7、防火阀产品安装方法,供用户参考。
温馨提示:
1.本店所有产品所标运费,仅供参考,因为产品都是大件,一般发物流托运,或整车运输,全国各地运费都不同,需提前与厂家确定运输方式。
2.商品所标价格均为参考价,风机产品根据客户不同,对材质、规格、参数、环境等技术要求各不同,比较难有一个常规的价格,建议联系厂家具体咨询。
3.机电类产品不同于一般家用电器,体积大,重量重,物流托运过程中可能会引起擦花,掉漆,特别容易损坏的建议木箱包装,量大的也可整车运输,可以咨询厂家那种运输方式更划算。请客户注意,发生严重损坏不要签收并及时与厂家联系。
4.商品外形颜色一般为常规颜色,如需特殊要求与厂家说明,否则以出厂时颜色为准。
5.本公司提供13%,如有需要请联系厂家。
6.生产周期需根据客户采购数量来定, 采购时请提供风机参数要求,包括尺寸风量风压及功率。
扫码添加微信邮箱:1084615732@qq.com
地址:浙江省绍兴市上虞区上浦工业区
Copyright © 2026绍兴上虞亿杰通风设备有限公司 All Rights Reserved 备案号:浙ICP备18026753号-4
技术支持:环保在线 管理登录 sitemap.xml